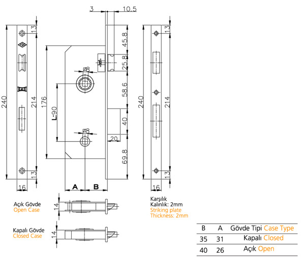
269 RP WC




İÇ KAPI GÖMME KİLİDİ (GENİŞ TİP) PVC WC KAPILAR İÇİN.RULMANLI.

Teknik Bilgiler

  • Gövde: Çelik.Galvaniz kaplamalı.
  • Ayna Karşılık: Çelik. Krom kaplamalı.
  • Sürgü: Zamak döküm.Krom kaplamalı.Tek turlu.
  • Mandal:Zamak döküm.Krom kaplamalı.TS EN 12209
  • Yön: Çevrilebilir.
Kod269 RP WC 35269 RP WC 40
Birim Ağırlığı
590 gr.530 gr.
Koli İçi Adeti4040
Koli Ölçüsü41X25,2X16,4 cm41X25,2X16,4 cm
Koli Ağırlığı
23600 gr.21200 gr.