169 R WC




İÇ KAPI GÖMME KİLİDİ (GENİŞ TİP) AHŞAP WC KAPILAR İÇİN.RULMANLI.

Teknik Bilgiler

  • Gövde: Çelik.Galvaniz kaplamalı.
  • Ayna Karşılık: Çelik. Pirinç kaplamalı.(Opsiyonel: Oval.Nikel kaplamalı).
  • Sürgü: Zamak Döküm.Pirinç kaplamalı.Tek turlu.
  • Mandal:Zamak döküm.Pirinç kaplamalı.TS EN 12209
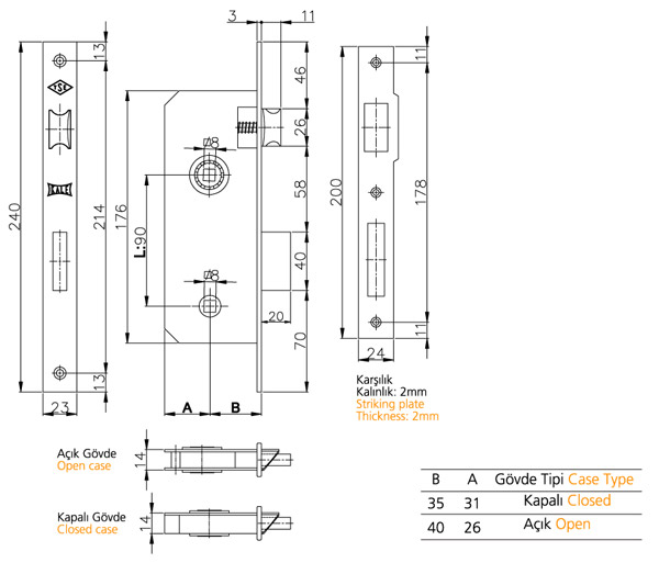
Kod 169 R WC 35 169 R WC 40
Birim Ağırlığı
693 gr. 662 gr.
Koli İçi Adeti 40 40
Koli Ölçüsü 40.5X25.5X23.3 cm 40.5X25.5X23.3 cm
Koli Ağırlığı
27720 gr. 26480 gr.