166 ARM




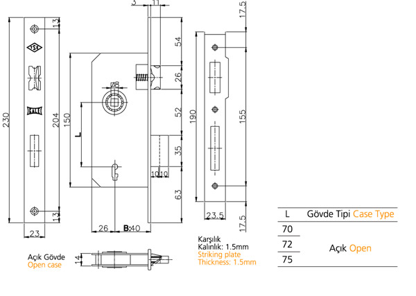
İÇ KAPI GÖMME KİLİDİ (GENİŞ TİP,KONVEKS TİP MANDALLI) AHŞAP KAPILAR İÇİN.RULMANLI

Teknik Bilgiler

  • Gövde: Çelik.Galvaniz kaplamalı.
  • Ayna Karşılık: Çelik. Pirinç kaplamalı.(Opsiyonel: Oval.Nikel kaplamalı).
  • Sürgü: Zamak Döküm.Pirinç kaplamalı.İki turlu.
  • Mandal:Zamak döküm.Pirinç kaplamalı.
  • Anahtar: Zamak döküm.Pirinç kaplamalı.TS EN 12209
  • Yön: Çevrilebilir
Kod 166 ARM 70 166 ARM 72166 ARM 75
Birim Ağırlığı
620 gr. 630 gr.650 gr.
Koli İçi Adeti 30 3030
Koli Ölçüsü 41.2X24.8X28,5 cm 41.2X24.8X28,5 cm41.2X24.8X28,5 cm
Koli Ağırlığı
18600 gr. 18900 gr.19500 gr.