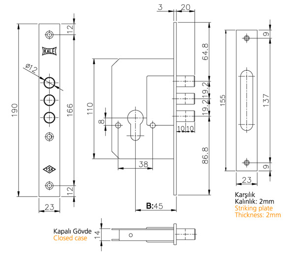
189 3M




SİLİNDİRLİ GÖMME EMNİYET KİLİDİ AHŞAP VE METAL KAPILAR İÇİN.

Teknik Bilgiler

  • Gövde: Çelik.Galvaniz kaplamalı.
  • Ayna Karşılık: Çelik. Pirinç kaplamalı.(Opsiyonel Nikel Kaplamalı)
  • Sürgü: Çelik 3 Milli Nikel kaplamalı.İki turlu. TS EN 12209
Kod189 3M
Silindir164 BNE/164 SN/164 GN
Birim Ağırlığı
720 gr.
Koli İçi Adeti30
Koli Ölçüsü43X21,7X17,8 cm
Koli Ağırlığı
21600 gr.