253




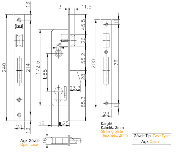
SİLİNDİRLİ GÖMME KİLİT (DAR TİP) DÜŞME SÜRGÜLÜ. ALÜMİNYUM KAPILAR İÇİN.

Teknik Bilgiler

  • Gövde: Çelik.Galvaniz kaplamalı.
  • Ayna Karşılık: Çelik. Nikel kaplamalı.
  • Sürgü: Zamak döküm.Krom kaplamalı.Tek turlu.
  • Mandal: MS 58 Pirinç.Nikel kaplamalı.
  • Yön: Çevirilebilir.
  • TS EN 12209
Kod253
Silindir164 GNC
Birim Ağırlığı
590 gr.
Koli İçi Adeti30
Koli Ölçüsü41.2X25.5X17.5 cm
Koli Ağırlığı
17400 gr.