153




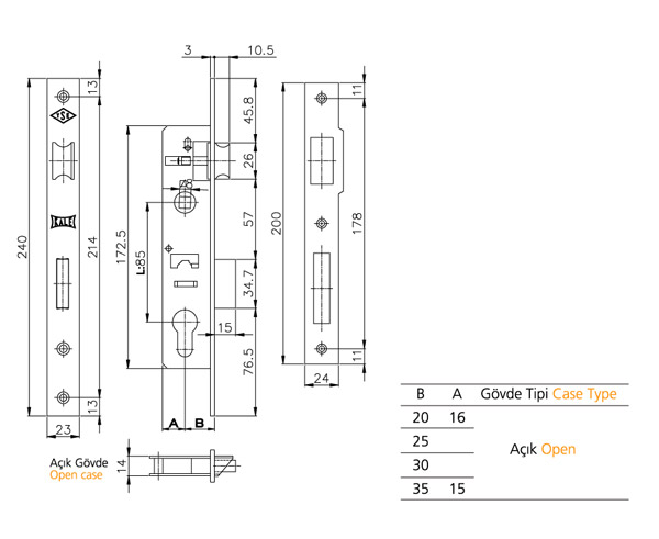
SİLİNDİRLİ GÖMME KİLİT (DAR TİP) ALÜMİNYUM KAPILAR İÇİN. KARŞILIKSIZ VE ROZETSİZ.

Teknik Bilgiler

  • Gövde: Çelik. Galvaniz kaplamalı.
  • Ayna: Çelik. Krom kaplamalı.
  • Sürgü: Zamak döküm.Krom kaplamalı. Tek turlu.
  • Mandal: MS-58 Pirinç.Krom kaplamalı. TS EN 12209
  • Yön: Çevirilebilir.
Kod153 20153 25153 30153 35
Silindir164GNC164GNC164GNC164GNC
Birim Ağırlığı
640 gr.680 gr.710 gr.720 gr.
Koli İçi Adeti30303030
Koli Ölçüsü41.2X25.5X17.5 cm41.2X25.5X17.5 cm41.2X25.5X17.5 cm41.2X25.5X17.5 cm
Koli Ağırlığı
19200 gr.20400 gr.21300 gr.21600 gr.