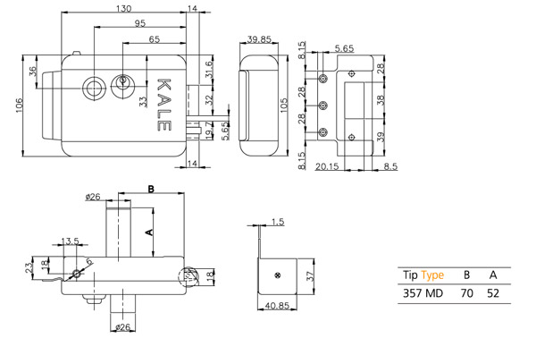
357 MD




KALE OTOMAT / DIŞTAN TAKMA ELEKTİRİKLİ TİRAJLI KİLİT. AHŞAP VE METAL KAPILAR İÇİN. BUTONLU. SİLİNDİRLİ. MAKARALI.

Teknik Bilgiler

  • Gövde ve Karşılık: Çelik.Elektrostatik siyah boyalı.
  • Sürgü: MS 58 Pirinç.
  • Makara:MS 58 Pirinç.
  • Mandal: MS 58 Pirinç.
  • Silindir: MS 58 Pirinç.Sabit.
  • Anahtar: Multikanallı.Standart.Beş adet.
  • Enerji: 12 V AC - 10 W
  • Kablo: 2x0.50 mm2
     
Kod357 MD
Birim Ağırlığı
1850 gr.
Koli İçi Adeti16
Koli Ölçüsü47x23x37 cm
Koli Ağırlığı
29600 gr.